TL;DR:
- What is Regression Testing? A systematic way to verify that recent code changes haven’t broken existing functionality in embedded systems.
- Essential Quality Assurance: Regression testing identifies when new code breaks existing functionality, ensuring product reliability in embedded systems.
- Closed-Loop Integration: Effective regression testing requires hardware and software components to be tested together, simulating real-world conditions.
- Future-Proof Development: Implementing a systematic regression testing approach saves time and money by detecting issues early in the development cycle.
Introduction
Regression testing is a central component of any embedded systems development process, yet it’s often overlooked until problems arise.
When developing embedded systems with both hardware and software components, it becomes increasing complex to make sure that new features or changes don’t break existing functionality.
Here, we explore what regression testing is, why it’s essential for embedded systems, and how a structured approach can save your company time, money, and reputation.

What is regression testing?
Regression testing is a systematic quality assurance process that verifies existing functionality remains intact when changes are made to a system. In embedded systems development, it serves as a key safeguard that prevents new code from breaking previously working features.
Unlike basic unit testing that focuses on individual components, regression testing examines the entire system’s behaviour, so that:
– Bug fixes don’t introduce new problems
– New features don’t interfere with existing functionality
– Hardware and software components continue to work harmoniously
– Performance parameters remain within acceptable limits
When working on a complex codebase on an embedded system and adding new features, fixing bugs, or improving what’s already there, there’s a chance of accidentally affecting the application’s intended behaviour or working.
Developers often perform automated unit testing to prevent these issues, but these tests don’t always catch everything.
That’s where automated regression testing becomes very important.
Automated Regression testing can also be fundamental when testing a new revision of hardware in order to ensure the resulting functionality and performance has not been affected both from a software and hardware perspective.
Figure 1 shown below is a high-level representation of how regression testing is performed and the resulting outcomes and iterations.

Regression testing is a type of software testing that ensures recent code changes have not adversely affected existing features.
It involves retesting the software after modifications to confirm that previously developed and tested functionality still performs correctly. This process helps identify bugs that might have been introduced into existing areas of a software application due to new changes or enhancements.
In embedded control systems where hardware control is a key component of the software development, software regression testing is fundamental and “closed loop regression testing” is key.
By “closed loop”, this means that the output of the hardware’s performance is fed back into the testing environment to ensure that the code is functioning as per any defined specification

The diagram above shows a high-level overview of closed-loop regression testing from a hardware and software perspective.
For example, the device under test (DUT) may have a series of sensors that require excitation and the test equipment would simulate the other end of those sensors to excite the sensor side of the DUT.
The control of both the test equipment and the DUT inputs and outputs are controlled by the host computer for full closed-loop regression testing.
Automated vs manual regression testing
Automated regression testing leverages testing tools to execute predefined test cases quickly, increasing efficiency and consistency. This approach is particularly beneficial during continuous integration, where frequent code changes necessitate rapid validation.
Manual regression testing allows for human intuition and exploratory testing, enabling testers to address unexpected issues that automated tests might overlook.
Each method has its merits, and integrating both can optimise the testing process while ensuring software quality across various environments.
Challenges of Regression Testing
Regression testing presents several hurdles that teams must overcome to ensure software reliability.
The increasing complexity of applications often results in lengthy execution times for test cases, complicating the testing process.
Maintaining regression test suites can also be challenging, particularly when addressing new code changes or integrating with existing functionality. This requires a robust strategy for test selection to manage the diverse types of testing involved.
Effective communication between development teams and QA teams is key for tackling these challenges head-on and optimising automated regression testing efforts.
Best Practices for Regression Testing
Establishing effective regression testing practices is central to maintaining software quality.
Prioritising test case selection based on risk can optimise the testing process.
Leveraging automated regression testing tools can streamline the execution time, too, allowing for faster feedback during the development cycle.
Regularly updating test suites following new code changes ensures comprehensive coverage.
Collaborating closely with development teams helps identify potential impacts of code alterations. Also, integrating practices like test data management and exploratory testing within continuous integration pipelines enhances overall reliability and user experience.
What are the benefits of Regression Testing?
Ensuring software reliability and delivering high-quality products hinges on the effective implementation of regression testing.
This practice minimises the risk of defects in existing functionality when new code changes are introduced. By leveraging various regression testing techniques, teams can optimise test execution and enhance user experience across different devices.
Regression testing also fosters continuous integration and assists in maintaining a robust test suite, allowing software development teams to make necessary configuration changes confidently while ensuring software enhancements do not compromise existing features.
Common failure categories of regression testing
Regression testing can encounter several common failure categories that may lead to decreased software quality.
One significant issue arises from regression test selection, where inappropriate test cases are chosen, resulting in missed defects.
Another category includes failures due to code changes; minor updates can unintentionally affect existing functionality. And configuration changes may cause integration tests to falter if dependencies are not properly managed.
Addressing these pitfalls through comprehensive impact analysis and test case prioritisation contributes to a robust regression testing process.
A frequent one is how often it should be executed during the software development cycle.
Ideally, regression testing should follow any code changes, ensuring new code does not compromise existing functionality.
Another common concern involves the difference between automated versus manual regression testing;
both methods have unique advantages depending on the frequency of updates and the complexity of the test suite.
These queries must be addressed to establish effective regression testing strategies within development teams.
ByteSnap’s approach to regression testing – Case study
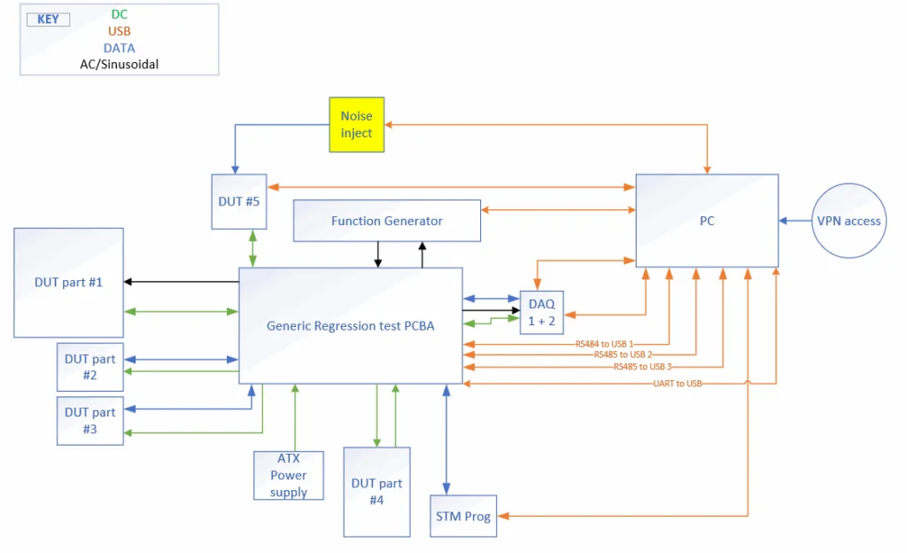
The example shown in Figure 3 is a real-world example of a ByteSnap-developed regression test system. Here, 5 DUT components are under test as part of the regression architecture.

Breaking down the key building blocks of the ByteSnap approach shown in Figure 3
- The system has a number of interconnections, including AC & DC power and signals tied with several different data protocols and I/O
- In this example, the system is designed for internal and remote access to deploy, execute and review regression testing outcomes
- The system shown has a bespoke test PCBA, a central core to simulate inputs and outputs, optically isolate signals and interface power and data lines
- There are 2 data acquisition devices acting as interfaces to the test PCBA – ByteSnap use industry standard hardware where applicable
- The system is designed to be flexible and expandable
- The host control software is written in a mid-level language to ensure portability and flexibility
- There is a graphical web front end to allow simple execution and access to test log data – Shown in Figures 4 & 5


3. What ByteSnap offer as a regression test system design service
Here’s a brief look at our full turnkey solution to regression test design:
Step 1: Understanding the customers’ requirements
Step 2: Regression test analysis: Analyse the design and define all the parameters that need to be regression tested from a software & hardware perspective. These may include pure software testing of a back end or web server through to reading input/output logic or A to D’s from the hardware
Step 3: Hardware design
3a. High-level block diagram design of the complete system requirements and external peripherals
3b. Design of any bespoke interfacing PCBA’s or harnessing
Step 4: Software design – The software design may be broken up into many components, including core functional tests, control software, test execution control, GUI front-end control and reporting
Step 5: Hardware manufacturing, Manufacturing of bespoke PCBA/Harnesses
Step 6: System manufacturing & integration testing: Manufacturing of the complete system and integration testing – this may include stress testing and forcing fail cases
Step 7: Customer commissioning – This may include site commissioning and training
Key Takeaways
- Prevention is better than cure: Regression testing identifies issues before they impact your customers or production systems, preventing costly fixes and reputation damage.
- Closed-loop testing is essential: For embedded systems, testing must include both software and hardware components in a closed-loop environment to catch real-world issues.
- Automation saves time and improves reliability: Automated regression testing ensures consistent, repeatable tests that can be run frequently without increasing workload.
- Comprehensive coverage matters: Effective regression testing requires careful consideration of all system aspects, including edge cases and error conditions.
- Professional regression test systems pay dividends: Investing in properly designed test infrastructure delivers long-term benefits through improved product quality and reduced development time.
Conclusion: Building Regression Testing into Your Development Process
Implementing effective regression testing doesn’t happen overnight.
It requires careful planning, the right infrastructure, and often specialised expertise.
At ByteSnap, we’ve helped numerous clients implement regression testing systems that have caught critical issues before they reached production, saving them substantial costs and maintaining product quality.
Our turnkey approach ensures that your testing infrastructure evolves alongside your products.
Ready to enhance your testing approach?
a regression testing system tailored to your specific needs.
FAQs - Regression Testing
Q: What is regression testing, and why is it important for embedded systems?
Regression testing is a systematic quality assurance process that verifies existing functionality remains intact after changes are made to a system. For embedded systems, where both hardware and software interact, it is especially important to ensure that updates or bug fixes do not inadvertently disrupt previously working features. At ByteSnap’s, regression testing covers both software and hardware aspects, offering assurance that changes won’t compromise reliability in production environments.
Q: What are the key components of a robust regression test system for embedded electronics?
A professional regression test system for embedded electronics typically includes a bespoke test PCB (PCBA), central core logic to simulate inputs/outputs and optically isolate signals, data acquisition devices that interface with the test PCB using industry-standard hardware, and a flexible, expandable design to accommodate different projects. The system is accessible remotely and features a graphical web front end for test execution and log data review.
How does ByteSnap develop a custom regression test solution for a client?
ByteSnap’s process starts with understanding the client’s requirements, followed by a detailed regression test analysis to identify which software and hardware parameters need testing. We then design the hardware (including block diagrams and bespoke interface PCBAs), develop modular software (covering core tests, control software, and a GUI front end), manufacture necessary hardware, integrate and test the complete system, and finally commission the solution, sometimes including on-site setup and training.
Q: What considerations are important for the software design of a regression test system?
Software design should be modular and portable, written in a mid-level language for flexibility, and include components for core functional tests, execution control, a graphical user interface, and reporting. This structure allows for easy adaptation and expansion as testing requirements evolve, and enables both internal and remote access for test deployment and result analysis.
Q: How can a regression test system be integrated into the broader product development cycle?
Regression testing is integrated throughout the product development cycle: from initial test system design and hardware manufacture, through to system integration and stress testing, and finally customer commissioning. This ensures that every stage of product evolution is validated, reducing the risk of introducing defects as hardware and software are updated or refined.

Founded in 2008, ByteSnap Design is an award-winning embedded systems design consultancy, offering a comprehensive range of services across the electronic product development lifecycle.
A highly skilled team of over 40 hardware and software engineers, our expertise spans several sectors, including IoT, automotive, industrial, medical, and consumer electronics.
The engineering consultants on the ByteSnap Editorial Team share their knowledge and practical tips to help you streamline your product development and accelerate designs to market successfully.
With their deep technical expertise and practical experience, they aim to provide valuable insights and actionable tips to guide you through the complex world of electronic product design and development, to help you bring innovative, reliable, and secure electronic products to market quickly and cost-effectively.



